×
样片申请
姓名
电话
样品名称
数量
公司
邮箱地址
规格

首页 - 产品中心 - IBSP3030 超低噪声、超高PSRR LDO

IBSP3030 超低噪声、超高PSRR LDO

产品描述

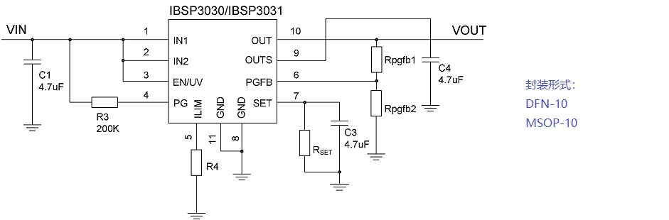
       IBSP3030 是一款0.5V至16V输出电压可调、具有业界领先电性能的LDO芯片,其最大额定输出电流为200mA,采用超低噪声和超高PSRR架构,在极限压差400mV应用条件下也表现出足够优异的噪声性能、电源噪声抑制能力和负载调整率等特性,非常适合对噪声和功耗有极致追求的应用场景。 此外,该产品还拥有可编程电流限值,快速启动和用于指示输出电压调节的能力。内置多种保护电路,包括过流、内部折返电流限值、过温保护等,为用户传递卓越的产品品质。


功能框图

IBSP3030、IBSP3031内部框图或应用图.jpg

产品特性

l超低RMS噪声:1.4μVRMS

l超低噪声密度:3nV/sqrt(Hz)

l超高PSRR:

   120dB(100Hz)

   118dB(10KHz)

   95dB(100KHz)

   78dB(1MHz)

   43dB(10MHz)

l输出电流:200mA

l宽输入电压范围:2.4 ~ 20V

l单个电容器改善噪声和PSRR

l高带宽:1MHz

l可编程电流限值

l压差:350mV@200mA

l输出电压范围:0.5 ~ 16V

l快速启动能力

l高精度使能/UVLO

应用场景

Dingtalk_20230608151339.jpg

×
样片申请
姓名
电话
样品名称
数量
公司
邮箱地址
规格

社交网络: wechat logo

扫一扫加好友

版权信息:英彼森半导体(珠海)有限公司

ICP备案:粤ICP备20051918号-1, 公安备案:公安备案图标 粤公网安备44049202000255号